オプションレーザードップラー速度計
S-100Z専用カバー BB-311
油、水、塵対策に対応したS-100Z用カバー

延長ケーブル(2m、5m、8m)
光学センサー・信号処理ユニット接続用延長ケーブル

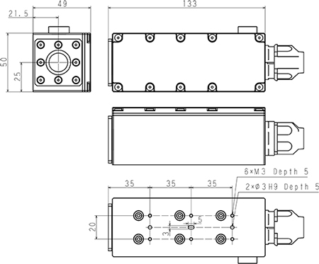
外形図

校正サービス
レーザードップラー速度計の校正検査に使用した計測機器は当社機器管理規定に基づき、国家標準または、公的校正機関とトレーサビリティが取られています。
ご要望により有償にて校正証明書を発行しておりますので、お問い合わせください。
安心して速度計をご使用いただくために、1年毎の定期校正をお勧め致します。
レーザードップラー速度計のご相談・お問い合わせ
キヤノンマーケティングジャパン株式会社 産業機器事業部 第二営業本部 第一営業部 営業第二課
Webサイトからのお問い合わせ
レーザードップラー速度計のご相談・お問い合わせを承ります。
03-3740-3336
※年末年始弊社休業日は休ませていただきます。