エアベアリング|寸法図
外形寸法
AB-30RH

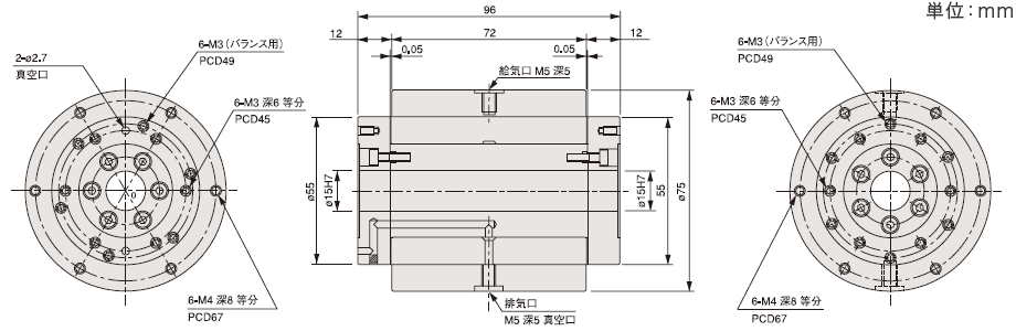
AB-50R AB-50RV

AB-50LRV

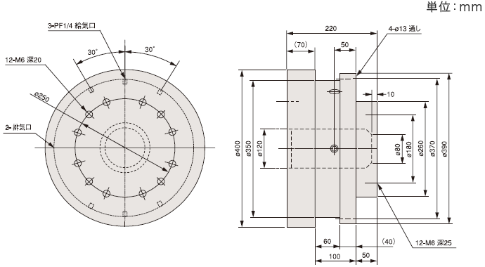
AB-80R/100R/150R2/200R/250RS

| 型式 寸法項目 |
AB-30RH | AB-50R ※AB-50RV |
AB-80R ※AB-80RV |
AB-100R ※AB-100RV |
AB-150RⅡ | AB-200R/RH | AB-250RS | AB-300R |
|---|---|---|---|---|---|---|---|---|
| D1 | Φ4 | Φ15 | Φ20 | Φ30 | Φ50 | Φ70 | Φ82.55 | Φ150 |
| D2 | Φ30 | Φ55 | Φ80 | Φ105 | Φ155 | Φ195 | Φ247.6 | Φ300 |
| D3 | - | - | Φ84 | Φ110 | Φ160 | Φ200 | Φ255 | Φ305 |
| D4 | Φ45 | Φ75 | Φ110 | Φ140 | Φ200 | Φ240 | Φ300 | Φ350 |
| D5 | 38 | 67 | 96 | 125 | 180 | 220 | 275 | 325 |
| D6 | 24 | 45 | 60 | 75 | 120 | 150 | 190.5 | 250 |
| D7 | 2×3-M3 深5 |
2×3-M4 深8 |
2×3-M6 座8 深24 |
2×3-M8 座11 深38 |
2×3-M10 座15 深47 |
2×3-M10 座15 深61 |
2×6-M10 座15 深60 |
2×6-M10 座15 深75 |
| D8 | 2×3-M3 深5 |
2×6-M3 深6 |
2×6-M4 深12 |
2×6-M5 深18 |
2×6-M6 深12 |
2×6-M6 深20 |
2×12-M8 深16 |
2×12-M8 深18 |
| D9 エアー 給気口 |
PISCO PC6-M5M |
PISCO PC6-M5M |
80R:junron PN-6×4-PT1/8-BS 80RV:PISCO PC6-M5M |
100R:junron PN-6×4-PT1/8-BS 100RV:PISCO PC6-M5M |
Junron PN-6×4-PT1/8-BS |
Junron PN-6×4-PT1/8-BS |
SMC KQ2L06-01AS |
Junron PN-6×4-PT1/4-BS |
| D9 真空口 (排気側) |
- | PISCO PC6-M5M |
SMC KQ2L06-01AS |
SMC KQ2L06-01AS |
- | - | - | - |
| D10 真空吸引穴 |
- | Φ2.7 | Φ2.7 | Φ4.4 | - | - | - | - |
| L1 | 46 | 60 | 80 | 106 | 130 | 160 | 170 | 240 |
| L2 | 30 | 36 | 36 | 50 | 60 | 74 | 76 | 90 |
| L3 | 8 | 12 | 22 | 28 | 35 | 43 | 47 | 75 |
| L4 | - | - | 2.5 | 3 | 3 | 3 | 3.3 | 30 |
-
※
印は、真空チャック対応エアベアリングです。
AB-300R

AB-400R

AB-600R

エアベアリングについてのご相談・お問い合わせ
キヤノンマーケティングジャパン株式会社 産業機器事業部 第二営業本部 第二営業部 営業課
Webサイトからのお問い合わせ
エアベアリングについてのお問い合わせ
03-3740-3433
受付時間:平日 9時00分~17時00分
※土日祝日・当社休業日は休ませていただきます。